EASY TO INSTALL
An automatic pool chlorinator or brominator is the most cost effective option available today for maintaining chlorine levels in pools. Simply drop chlorine tabs in every couple of weeks to keep your pool sparkling clean, using the dial control value to monitor water levels. All of our in-ground or above-ground chlorinators are compatible with slow-dissolve chlorine tablets and sticks from Dohenys Pool Supplies Fast. Chlorinates up to 36,000 gallons. “Easy-loc” cover makes it easy to safely access chlorine tabs. Connectors not included.
IN-GROUND CHLORINATORS
For in-ground pools, we offer both in-line and off-line swimming pool chlorinators. The main difference is the way they are plumbed into your pool line. If you arent sure which option is right for your needs, please call us at 1-800-574-7665.
- Free-Standing (pictured to the left)
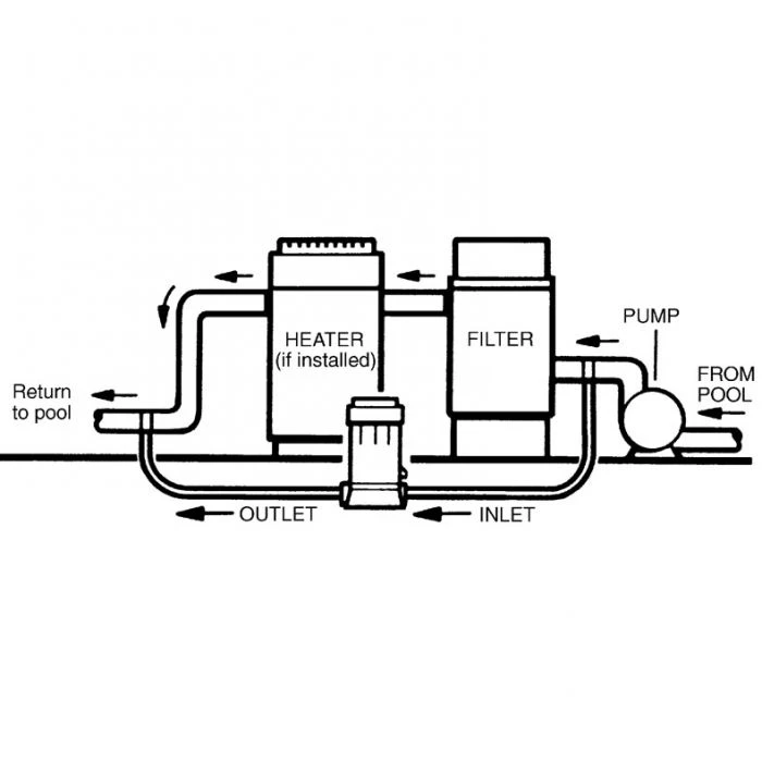
Also known as an offline pool chlorinator, this free-standing chlorine feeder installs next to your pool filter system, and is the best way to retrofit an existing pool system. Holds 9 lbs. - In-Line (pictured at the center)
An in-line pool chlorinator plumbs directly into 1-1/2″ PVC water return pipe, and is designed for more permanent installation. Holds 9 lbs.
ABOVE-GROUND CHLORINATORS
- In-Line (pictured to the right)
For above-ground pools, we offer our in-line pool chlorinator (designed for PCV water return pipes only). Holds 4 lbs.


















Reviews
There are no reviews yet.